Корзина 0
Список сравнения 0 Список желаний 0
Личный кабинет
Меню
Наш адрес: ул. Яровая, Софиевская Борщаговка, Киевская область
ул. Яровая, Софиевская Борщаговка, Киевская область
153 700 грн.

Траверса гидравлическая Oma 543.05, 4000 кг

Заканчивается
Производитель: OMA (Italy)
Код Товара: L1140
Отзывы: (0)
В наличии
153 700 грн.
Купить в один клик
Гарантия качества Оригинальные товары от производителей Быстрая доставка Доставка перевозчиком, служебным транспортом или курьером Удобная оплата Оплачивайте быстро и удобно Поддержка 24/7

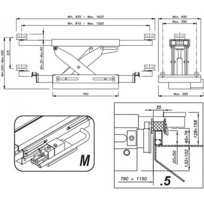
Ножничная гидравлическая траверса OMA 543.05 с ручным насосом двойного действия. Грузоподъемность 4 тонны.

Подходит для обслуживания легкового автотранспорта и фургонов из ямы или подъемника.

Все домкраты снабжены защитной шторкой для предотвращения попадания инструмента или рук механика в механизм домкрата. Данные домкраты предназначены для вывешивания осей автомобиля при регулировке углов установки колес. У всех домкратов выдвигаются по длине лапы и регулируется расстояние между роликами. Комплект упоров с резиновыми прокладками. В гидросистему встроен клапан для предотвращения перегрузки и клапан, предотвращающий несанкционированное опускание автомобиля в случае обрыва гидропривода.


Достоинства

– Ручной привод значительно проще в устройстве относительно пневматического, следовательно ниже стоимость самого устройства и ремонта в случае поломки.
– Регулируемые по длине лапы.
– Европейские стандарты производства и качества.


Технические характеристики:

Грузоподъемность 4 т
Тип траверсы гидравлический
Привод насоса ручной
Давление воздуха 6-8 бар
Максимальная высота 585 мм
Максимальная высота подъема 325 мм


Вес и размеры в упаковке:

Место 1 (ДхШхВ) 1000х550х350 мм
Вес 180 кг

Отзывы
0/ 5
средний рейтинг товара
0
0
0
0
0
Нет отзывов о данном товаре. Станьте первым, оставьте свой отзыв.